UCL(株)ユニバーサルコンピュータ研究所(略称UCL)

トップ 最新情報 製品情報 サポート 会社紹介 お知らせ
>>C言語ドキュメント作成システム>>TimingView,CDS98/FT

タイミングチャート作成機能
TimingView,CDS98/FT
  <<目次>>
  1.概要 2.特長 3.製品形態
  4.入力例 5.出力例

6.操作画面例
    (CDS98/FL への機能拡張)

 

7.応用例

8.CDS98/FTの使用例 9.イメージ表示出力例
  10.ログ解析グラフ出力例 11.関連製品 12.評価版ダウンロード
  13.その他の製品

  1.概要
  通信や制御システム開発で重要な要素であるタイミングに関するプログラムの実行結果を、わかりやすいタイミング チャートに変換する機能です。

  2.特長

 

  • ログファイルに出力されたタイミングメッセージ(簡単な記述ルールを使います)を入力して、タイミングチャートを自動生成します。
  • PADVIEW2000からPADVIEW2000/FLへ有償バージョンアップいたします。
    登録ユーザ様には案内をお送りいたします。
  • 処理タイミングや処理シーケンスに関する判定や統計リスト作成の機能があります(将来の拡張機能)。
  • ビューアではタイムスケールのスクロールや自由なズーム操作を提供し、タイミングの把握が簡単に行えます。
  • 折れ線グラフ作成も可能です(最新版機能)。
  • イベントにイメージ表示を行うことができ、より理解しやすいタイミングチャートが作成できます(最新版機能)。
  • タイミングチャートや処理結果は Word ドキュメントで出力されます。
  • ドキュメント出力時にはタイミングに変化の無いページを抑制する機能があり、無駄な出力を省きます。
  • 分解能がマイクロ秒に性能強化され、ネットワークTCP/IP イベントやデジタル信号タイミングの解析にも適します(最新版機能)。

  3.製品形態

 

  • タイミングチャート作成機能の単体ツール TimingView は発売中です。
  • CDS98/FLにタイミングチャート作成機能を追加したCDS98/FTは発売中です。
  • 通信や制御システム特有のドキュメント作成をサポートする各種ドキュメント自動作成機能を準備中です。
    「関連製品」の項をご覧ください。
▲このページのトップへ

4.入力例
 

以下のような形式のCDS標準ログファイルを入力します。
関連製品にある各種ドキュメント自動生成を行うため、この例のほかプロトコル記述言語として国際的な規格でもあるSDL言語記法をベースにした状態遷移に関する情報(入力信号、送信元、受信先、状態遷移元、状態遷移先、処理内容)の記述も規定されています。

 

    :
2000/09/13 17:53:28.480 $TALLY=ON          // Job start
2000/09/13 17:53:32.000 $CHG=PULSE(400)    // 1ST Screen
2000/09/13 17:53:33.000 $DISP=DISP("START")
2000/09/13 17:53:42.380 $SKIP=PULSE(400)   // Skip next
2000/09/13 17:53:43.000 $DISP=DISP("NEXT")
2000/09/13 17:53:55.250 $END=PULSE(400)    // Job end
2000/09/13 17:53:57.480 $TALLY=OFF
    :

5.出力例
上記のログファイルから以下のようなタイミングチャートが自動生成されます。

6.操作画面例(CDS98/FL への機能拡張)
画面をクリックすると拡大して表示します。
▲このページのトップへ

  7.応用例

 

以下のような入力も応用としてドキュメント化することができます。
それぞれプリプロセスコンバータで事前にCDS標準ログ形式に変換を行います。

  • WindowsNT イベントログなどのシステムログ
  • UNIXの syslog ログファイル
  • Apache などの httpd ログファイル
  • ルーターのログファイル
  • 気温や湿度などの気象情報観測ファイル(将来の拡張機能)
  • 通信ボードのプロトコルログファイル
  • デジタル入出力ボードのデジタル信号ログファイル

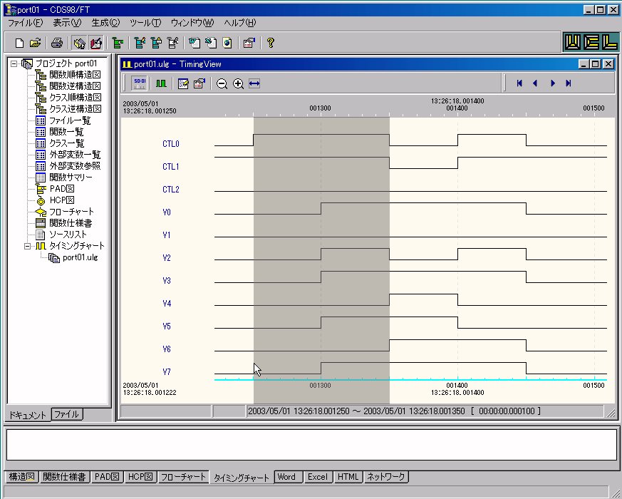
  8.CDS98/FTの使用例
  (1)TCP/IP の FTP 動作を解析する例


画面をクリックすると拡大して表示します

Linux の tcpdump コマンドで tcpdump -tttt -X として実際の FTP 動作をパケットダンプし、CDS98/FT に参考添付されているログコンバータで整形してタイミングチャートを作成しました。


画面をクリックすると拡大して表示します

端末からの PASS コマンドと最初のサーバ応答との時間を測定しています。
パスワード(PASS コマンド)入力後、32.546ミリ秒でサーバが応答を返していることが確認できます。
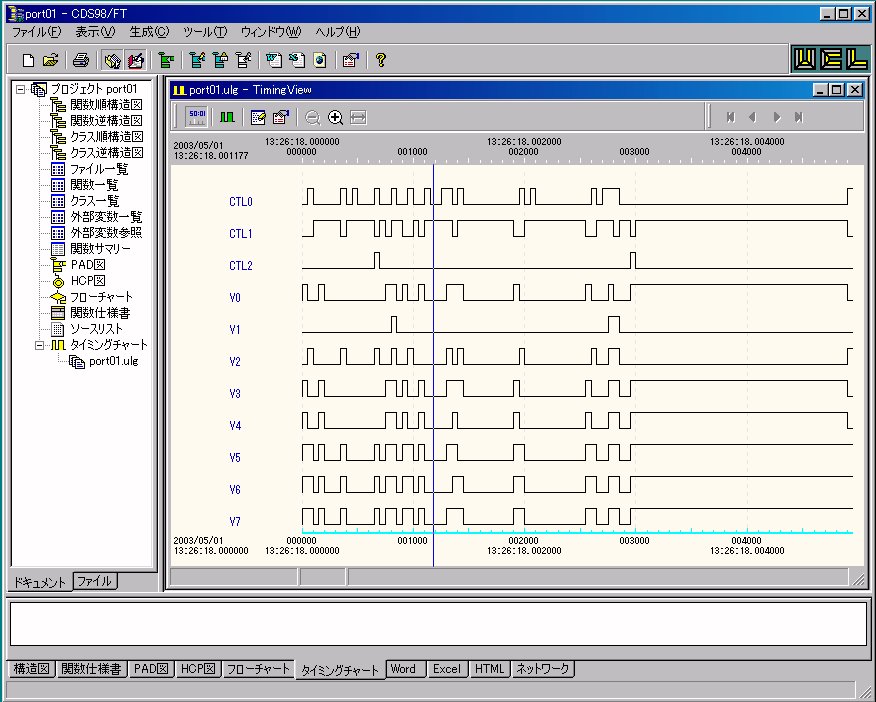
  (2)デジタル入出力ボードのデジタル信号を解析する例
  USBあるいはPCIバスなどによるデジタル入出力信号をダンプして解析ができます。

画面をクリックすると拡大して表示します
あるパラレル信号インターフェースをデジタル入出力ボードでサンプリングし、そのダンプデータからタイミングチャートを作成しました。

画面をクリックすると拡大して表示します
CTL0のパルス幅を測定しています。
▲このページのトップへ

  9.イメージ表示出力例
 

イベントにイメージ表示情報を付加した例

この例では、交差点の直交する信号機の変化をタイミングチャートで示しています。
以下のように、ログファイルのコメントへ表示するイメージファイルを指定できる構文が拡張されています。
sig1.bmp は というイメージファイルです。

2003/05/01 15:32:00.000 $A1BLUE=ON  // <IMG src="sig1.bmp">

 


画面をクリックすると拡大して表示します
イベントオン時に対応するイメージ(信号機の色の状態)を指定しています。
信号機の色の変化が理解しやすくなります。

  10.ログ解析グラフ出力例
 

Web サーバにおけるログ解析結果の生成例

この例は、UNIXの syslog ログファイル、Apache などの httpd ログファイルから作成されています。
以下のように、ログファイルでグラフにする値を指定できる構文が拡張されています。

2002/03/08 08:00:00.000 $WEB=VALUE(20%)

 

▲このページのトップへ

  11.関連製品
  関連製品として以下に示す各種の図式ドキュメントの自動生成機能を提供予定です。
  • SequenceView 各モジュール間のメッセージの流れを示す図をログファイルから自動生成します。
  • TransitionView システムの状態変化における入力イベントと状態遷移の関係図をログファイルから自動生成します。
  • TableView システムの状態変化における入力イベントと状態遷移の関係表をログファイルから自動生成します。
メッセージシーケンス図
状態遷移図
状態遷移表

  12.評価版ダウンロード
  評価版は製品サポートページをご覧ください。

  13.その他の製品
  製品一覧はCDSメインページをご覧ください。
▲このページのトップへ
(C) Copyright Universal Computer Laboratory Co., Ltd. 1997-2005 All Rights Reserved.